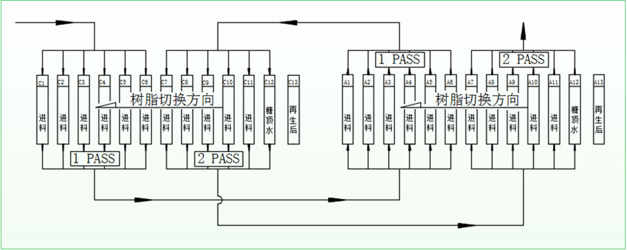
閥陣式多單元連續離子交換設備
設備原理
和普通離交系統一樣,都是把樹脂裝填到離交柱里面,對樹脂進行使用和再生,只是把整個系統里面的樹脂分成更多的單元,進行更細致的運行,多單元就是這個意思。
閥陣
就是由多個閥門和若干管路連接起來,組成一個閥門陣列,通過步調一致的變換開關狀態來實現所屬化工單元的各種功能的切換。
多單元
把整個系統里面的樹脂分成更多的單元,進行更細致的運行。
設備優勢
1.提高了樹脂利用率


2、串聯運行實現降低消耗和排污
多單元串聯運行,使得水,酸堿等消耗極大降低,較少了污染處理費用。

3、產品質量穩定

傳統固定床或其他大床系統的運行過程中,當切換柱子的時候產品質量都有較大的波動(主要表現在濃度、電導率、色度、PH值等指標上),而多單元化系統采用并聯方式對物料進行凈化處理,每次切換只有一個小的失效柱移出和一個小的新鮮柱移入,對整個系統的波動影響要小很多,因而產品的質量相當穩定。
4、全自動操作減少了人為的錯誤操作和浪費操作

將自動化和工藝流程相結合,使得操作全自動,減少了失誤率和人工費用。
5、閥門選用歐洲進口品牌,質量保證
1996年第一套設備安裝的閥門,使用十年后,仍然沒有損壞。目前,我公司為客戶提供的20000只閥門,均正常運行,無質量問題。

6、團隊具有豐富的現場安裝調試經驗,完善的售后服務
與其它設備比較
1.與滿室床相比
閥陣式多單元連續離交設備與滿室床最大的區別就是增加了多單元,進一步起到了水和化學品綜合利用的作用,化學品和水可以分別進一步節省30%和60%以上;樹脂用量減少60%,設備一次投資減少,產品品質更高。

2.與ISEP相比

閥陣式多單元連續離子交換設備
- 閥門切換動作小,流量和壓力波動小,系統得到保護。
- 閥門可任意開關(在一定的操作權限內),處理故障更加靈活。
- 步驟切換和流量參數可配合設置,工藝操作更加精細(如可分快洗和慢洗)。
- 后續擴產方便,改造投資省,周期短。
- 使用的閥門可靠,系統有安全保障。
- ISEP設備需要后期維修。
應用方面
1.閥陣式多單元連續離子交換設備在葡萄糖、果葡糖漿、麥芽糖漿上的應用

2.閥陣式多單元連續離子交換設備在山梨醇、麥芽糊精、結晶葡萄糖上的應用

3.閥陣式多單元連續離子交換設備在F55果葡糖漿上的應用

4.閥陣式多單元連續離子交換設備在葡萄糖、麥芽糖上的應用

閥陣式多單元連續離子交換設備常在以下行業應用
- 糖類行業: 主要是淀粉糖,包括葡萄糖,結晶葡萄糖,果糖,結晶果糖,F42,F55,麥芽糖,糊精等;木糖。
- 化工行業: 乙二醇和有機酸,包括L-乳酸、檸檬酸、VC、味精,以及各種氨基酸,如賴氨酸、L-苯丙氨酸、亮氨酸、蛋氨酸等。
- 食品行業: 甜菊糖、山梨醇、木糖醇等甜味劑,抗氧化劑異VC鈉等。
- 醫藥行業: 抗生素等。
- 熱電行業: 水處理等。